Standfuß für 1 x Wallbox 100/101 mit Montageplatte silber eloxiert (1 Teilnehmer)
319,00 €*
Standfuß für 1 x Wallbox 100/101 mit Montageplatte
Passend für TECHNIVOLT 100/101
319,00 €*
inkl. MwSt.
- Montage von ein bzw. zwei Wallboxen möglich
- Standfuß aus eloxiertem Aluminium
- Passend für eine bzw. zwei Wallboxen TECHNIVOLT 100/101
- Inklusive Montageplatte für Wallbox
- Inklusive Befestigungsmaterial
Standfuß, je nach Variante 1x oder 2x Adapterplatte für Wallbox, Schrauben zur Befestigung am Fundament bzw.der Wallbox an der Adapterplatte, Montageplatte
Montage von einer Wallbox
Am TechniVolt Standfuß 2 kann eine Ladestationen angebracht werden. Montagematerial inklusive.
Elegante Optik, flexible Installation
Die freistehende Positionierung der Ladestation(en) ist optisch ansprechend, örtlich flexibel und kommt vor allem ohne das Bohren von Löchern, z. B. in der Hauswand, aus.
Adapterplatte Wallbox
Liegt in 2-facher Ausführung bei, Option für Montage zweiter Wallbox.
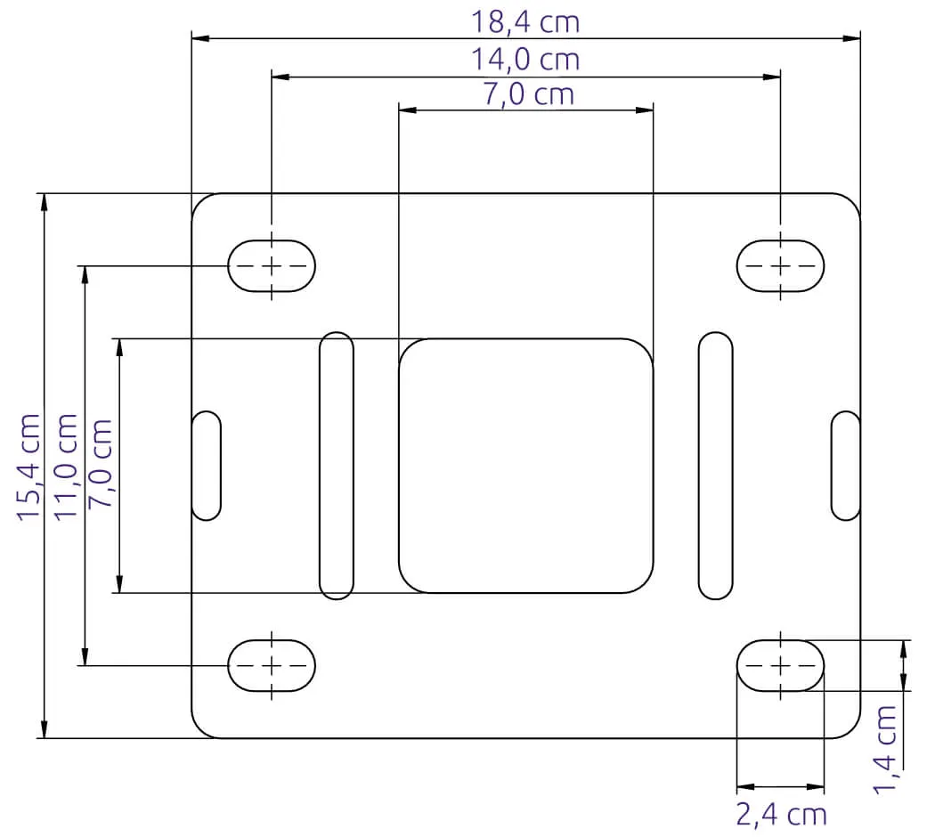
Darstellung Bodenplatte
Darstellung Abdeckung Bodenplatte/Schrauben
Gesamthöhe (incl. Wallbox): 141,4 cm
Höhe Stand mit Adapter: 140,9 cm
Bodenplatte: 18,4cm x 15,4 cm
Abstand Bohrlöcher: 14,0 cm x 11,0 cm
Schrauben zur Befestigung am Fundament bzw. der Wallbox an der Adapterplatte sind im Lieferumfang enthalten.
| Artikelinformationen | |
|---|---|
| Farbe | silber eloxiert (1 Teilnehmer) |
| EAN | 4019588104495 |
| Art.-Nr. | 0010/6449 |
| Gewicht (Gerät) | 9,53 kg |
| Gerät (BxHxT) | 16,4 x 141,4 x 8 cm |
| Allgemeine Merkmale | |
|---|---|
| Beschichtung | Eloxiert |
| Material | Aluminium |
| Stromversorgung | |
|---|---|
| Nennfrequenz | 50 Hz |
| Nennspannung | 230 / 400 V |
| Stromart | AC |